AC30系列模数化插座(以下简称插座),是用户安装模数化终端组合电器的配套电器元件,亦可用于其他成套电器箱内,能对用电设备进行插接
插座按GBT1003标准要求。

常规型号有AC30 2插10A,,AC30 3插25A,AC30 4插16A,AC30 5插 10A
插座适用于在通常不超过+35℃,偶尔会达到+40℃的环境温度中。



● 安装前应检查插座上标识的参数是否与实际使用条件相符。
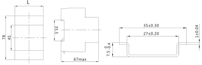
● 插座为TH35标准导轨安装,安装导轨尺寸见右图
用户订户时必须说明:
● 产品型号和规格;
● 极数;
● 额定电流;
● 订货数量;
