产品展示

HR3熔断器式刀开关

一,适用范围

HR3系列熔断器式刀开关(以下简称开关),适用于交流50Hz、额定电压380V、约定发热电流至1000A的工企业配电系统中,作为电缆、导线及用电设备的过载和短路保护之用。在正常情况下手动不频繁地接通和分断电路;在短路情况下,由熔断器熔断而切断电流。

开关结构简单、操作方便,符合GB/T14048.3、IEC60947-3标准,是用来替代各种低压配电装置中刀开关和熔断器的理想的组合电器。


二,型号含义

常规型号有:HR3-100/32,HR3-200/33,HR3-400/34

 

三,主要参数

● 开关主要技术参数

● 开关与熔断体的配用关系:

关键词:上海人民电器开关厂,HR3-100/32,HR3-200/33,HR3-400/34,HR3熔断器式刀开关

 

四,结构特征

● 熔断器式刀开关是熔断器和刀开关的组合电器,具有熔断器和刀开关的基本性能,在电路正常供电的情况下,由刀开关来接通和分断电路;当线路或设备过载或短路时,由熔断器熔断切断故障电流。
● 开关具有三种操作方式及其检修方向,适用于各种低压开关柜及配电箱上的安装使用:
1)、正面中央杠杆传动机构式,后检修
2)、侧面操作手柄式,前检修
3)、无面板正面侧方杠杆传动机构式,前检修
● 其中,前操作前检修的开关,中央有供检修和更换熔断器的门,主要供BDL配电屏上安装:前操作后检修的开关主要供BDL配电柜上安装;侧面操作前检修的开关可以制成封闭的动力配电箱。
● 开关带有安全挡板,并装有灭弧室,灭弧室由酚醛层压纸板和金属灭弧栅铆合而成,大大增强了开关的灭弧能力。
● 开关的熔断器固定在带弹簧、锁板的绝缘横梁上,在正常运行时,保证熔断器不脱扣,而当熔断体因故障熔断后,只需按下锁板便可很方便的更换熔断器。

 

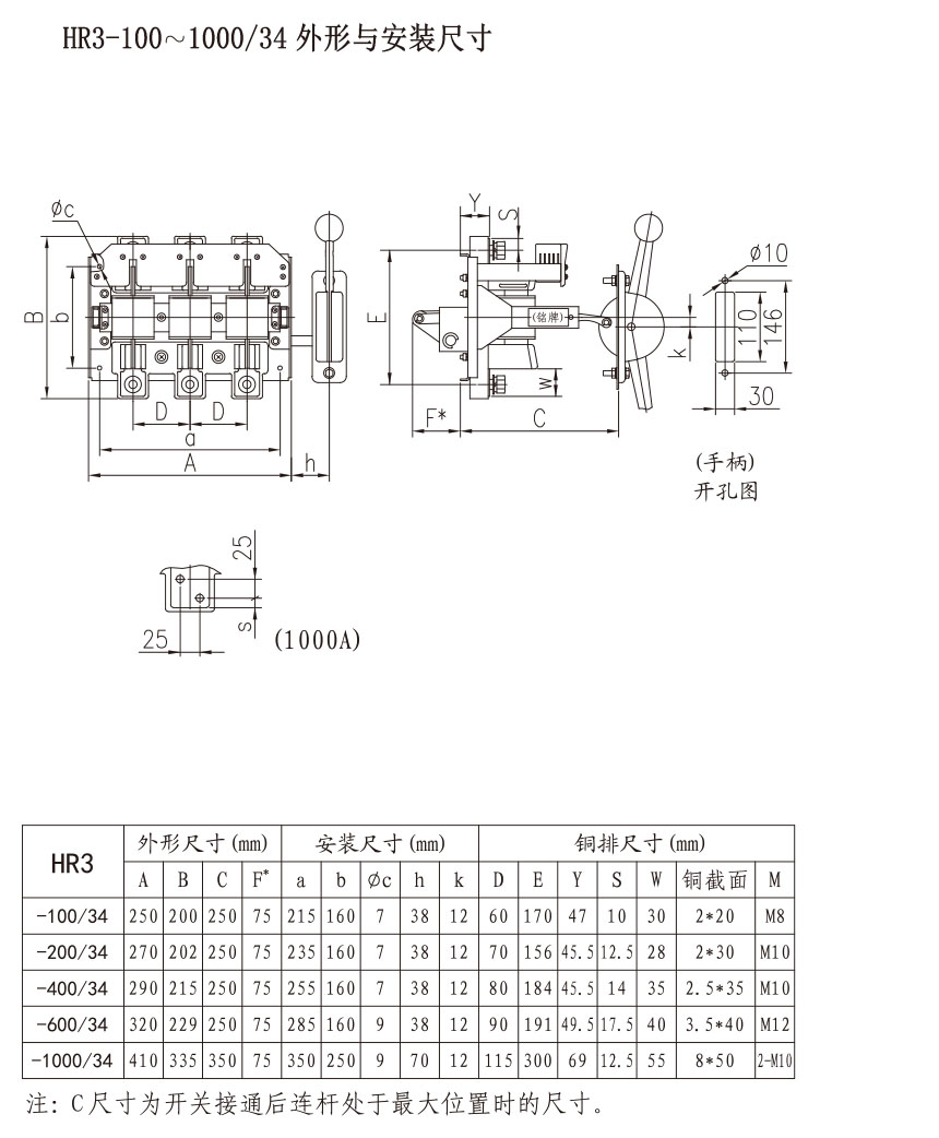
五,外形安装尺寸

商务
询价

企业商务询价
微信二维码

项目
咨询

企业项目咨询
微信二维码

电话
咨询

0577-62333333
客服热线