RH3系列隔离开关,适用于交流50Hz/60Hz、额定电压230V(1P.2P)/400V(2P.3P.4P)额定电流至100A的电路中,主要供无负载情况下接通或断开电路,作为线路与电源接通或隔离之用。尤其适合线路检修时有效隔离电源并防止意外合闸,以确保检修人员的操作安全。
开关符合GB/T14048.3、IEC60947-3标准要求。

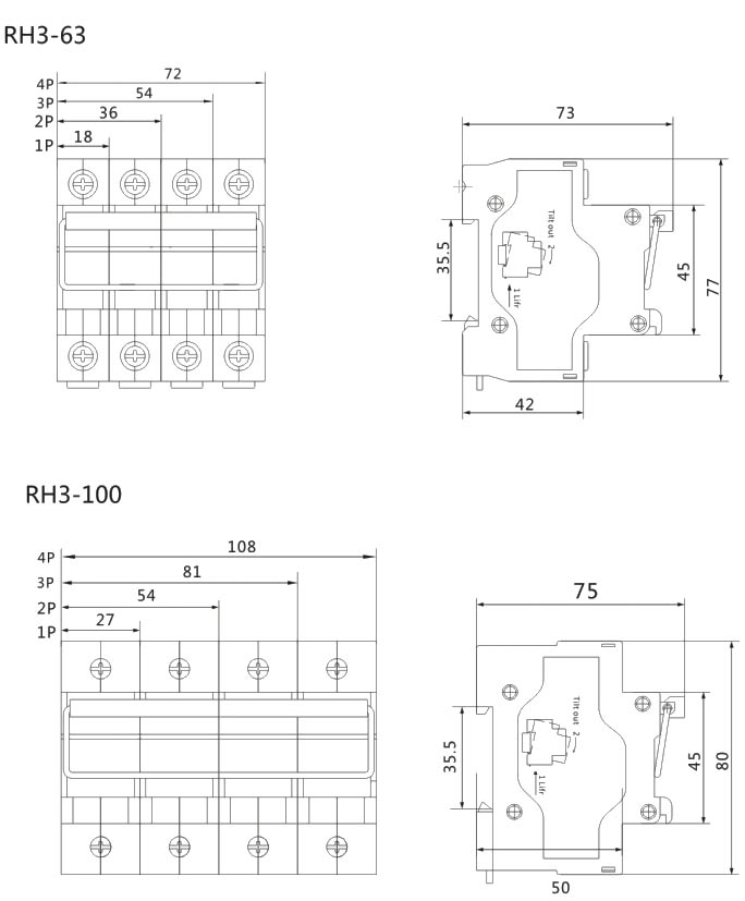
RH3-63系列隔离开关展示 2


常规型号有:RH3-63 1P/2P/3P/4P,RH3-100 1P/2P/3P/4P
● 规格
按壳架等级电流Inm:63型、100型
按极数分:单极、二极、三极、四极;
额定频率:50Hz/60Hz
● 基本参数和主要性能
壳防护等级:IP20;
额定工作电压Ue:230V(1P.2P)/400V(2P.3P.4P);
额定电流Ie:63型:6A、10A、16A、20A、25A、32A、40A、50A、63A;
100型:63A、80A、100A;
操作性能:无负载操作寿命为8500次;正常负载操作寿命为1500次,总计寿命10000次 ;
额定绝缘电压Ui:400V;
额定短时耐受电流Icw:1.2A/S;
额定短路接通能力Icm:2.84kA。
● 海拔高度不超过2000米;
● 周围空气温度不超过±40℃时不超过50%,在较低温度下允许有较高的相对湿度例如20℃时达90℃,并考虑到因温度变化发生在产品表面上的凝露;
● 污染等级:2;
● 采用标准安装轨(TH35-7.5型)安装;
● 使用类别:AC-22A;
● 安装条件:开关正常为垂直安装(上端为进线),手柄向上推合,触头接通;往下扳则触头断开,再将手柄扣住可避免意外合闸。
开关系直接手柄操作、模数化、标准化导轨安装结构,尤其适合做终端组合电器的配套隔离开关元件,由于动静触头采用合理的接触形式,导电和稳定性好。操作绝缘手柄与动触头连为一体,动触头随手柄拉开而断开,且明显可见,无需另设闭合位置指示器。因手柄上附有一环箍,可与下端搭钩紧紧扣住,故可避免意外合闸,特别合适非专业人员使用。

用户订货时必须说明:
● 产品型号和规格;
● 极数;
● 额定电流;
● 数量
例:RH3-1P,63A,100台