DW17系列万能式断路器(以下简称断路器)具有结构紧凑、体积小、重量轻、系列性强、零部件互换性好,保护功能齐全,技术经济指标高,维护使用方便等特点。断路器适用于额定工作电压至660V,50Hz电路,作电能分配和线路不频繁转换之用;对线路及电气设备的过载、欠电压和短路进行保护,并具有分级选择保护;也能用来保护电动机、发电机和整流装置等,免受过载,短路和欠电压等不正常情况的危害。上海人民电器开关厂常规型号有:DW17-630,DW17-1600,DW17-2900,DW17-3200
断路器技术性能符合GB/T14048.2标准。

○ 周围空气温度上限不超过+40℃,下限不低于是5℃上,且24h的平均值不超过+35℃。
○ 安装地点海拔不超过2000m。
○ 大气相对湿度在周围空气温度+40℃时不超过50%在较低温度下可以有较高的相对湿度,最湿月的月平均最大相对湿度为90%,同时该月的月平均最低温度为+25℃,并考虑到因温度变化发生在产品表面上的凝露。
○ 污染等级:3级。
○ 安装条件:可垂直安装,亦可水平安装(抽屉式)。
○安装类别:断路器主电路及欠电压脱扣线圈的安装类别为Ⅳ,其余辅助电路、控制电路安装类别为Ⅲ。

注:
1.过载长延时脱扣器带锁扣(简称W1)或带锁扣及信号(简称W2),短路瞬时脱扣器带锁扣(简称W3)或带锁扣及信号(简称W4)W1、W2、W3、W4仅用于结构尺寸1及2,短路脱扣器带信号用于全系列。需要时可在订货时说明。
2.如需抽屉式位置信号开关及手柄机械联锁可在订货时说明。
3.电动操作附有维修操作手柄;抽屉式断路器附有位置变更操作手柄,并设有维护与检修用的引伸导轨,用户可根据需要订购。
4.闭锁电磁铁主要用于电动机保护断路器.
5.“√”为可选择的种类和规格。
○ 断路器在不同环境温度下的额定电流见表2

常规型号有,DW17-630,DW17-1600,DW17-2900,DW17-3200
注:DW17-630/800/1000/1250型断路器选用过电流脱扣器额定电流可分别提高到760/910/1200/1300A。
○ 断路器的通断能力
断路器当电源为上进线或下进线及短路短延时保护(延时为≤300ms)时,通断能力均相同,具体指标见表3

注:1.延时时间大于300ms时其通断能力数据协商确定。
○ 断路器的1s额定短时耐受电流值见表4

○ 断路器过电流脱扣器的整定电流调节范围及断路器质量见表5

注:
1、断路器用作电动机保护时,如需要短时瞬时脱扣器的整定电流范围4~8kA提高为6~10kA时,应在订货时提出。
2、断路器的质量,分子数值指无过电流脱扣器型式的断路器。分母数值指抽屉式的断路器。
3、带W1、W2、W3或W4的脱扣器整定电流按表中短时延时整定电流选用。
○ 过电流脱扣器的保护特性
a)过载电流脱扣器的长延时动作特性(反时限特性)见表6

b)短路瞬时脱扣器的动作电流的范围为整定值的80%~120%。
短时瞬时脱扣器的短延时动作特性(定时限特性)采用钟表式延时机构(ZZ),其延时范围为0~300ms(连续可调),误差为±40ms。
○ 辅助开关
a)辅助开关的接通与分断能力见表7;其机械寿命为20000次,电寿命为10000次;
b)本系列断路器所带的辅助开关,在固定式断路器中手动操作与电动机操作均带1组,电动机预储能带释能操作与抽屉式断路器中各种操作方法均带2组辅助开关(每组辅助开关为2常开2常闭,用户可按需要改装成1常开3常闭或3常开1常闭)。固定式断路器每台最多可以装3组辅助开关;订货时应提出加装数量。
C)抽屉式断路器设有二次回路接线触头,其数量DW17-630~1900可装15档,DW17-2000~3900可装23档,触头的额定工作电压为AC380V。

注:表中Ie=Pe/Ue,V、I为试验电压,电流。
○ 断路器的电动操作控制线路图;(图中虚线部分由用户安装时自行连接)
a)电动机快速交流操作(附su控制装置)控制线路见图1a),用户接线图见图1b)

b)电动(机)快速直流操作(附su控制装置)控制线路(见图2a),用户接线( 见图2b)。

C) 电动(机)预储能带释能交流操作(附su控制线路见图3),用户接线见图3b)。


d)电动机预储能带释能直流操作(附su控制装置)控制线路图见图4a),用户接线(见图4b)


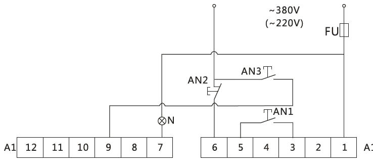
○ 电压脱扣器线路图
c)a脱扣器线路图见图7

b)电气延时式r-脱扣器线线路图见图6。
注:如要选用R-脱扣器进行断路器的分闸操作可加接AN4按钮(订货时需注明)如图
○电压脱扣器用户接线图见图8

注:UR-欠压瞬时脱扣器;SR-分励脱扣器;YL-闭锁电磁铁;AN-分励按钮;DF-辅助开关;
T1T2二极管;C-电容;A3-接线端子。(虚线部分由用户接线)
○ 抽屉式断路器二次回路接线说明
a) 电动机快速操作二次回路接线说明见图9。

b)抽屉式断路器预储能带释电电动机操作二次回路接线说明见图10

c)抽屉式断路器手动操作二次回路接线说明见图11

注:
1、端子号7-8,9-10,欠压脱扣器及闭锁电磁铁出厂时不串接DF动合接点。
2、如断路器只用一只分励脱扣器,接线端子号为9-10,则端子号5-6(或19-20)为空档。如果用二只分励脱扣器,那末端子号5-6及14-15(或15-16及19-20)均为空档。只对于使用欠压延时脱扣器和分励脱扣器时,欠压延时脱扣器的按钮取消(即短接),而端子号9-10接分励脱扣器。
3、对带有b-脱扣器及S-脱扣器锁扣信号,端子号13,14,15,21,22,23改接为:结构尺寸1,b脱扣器锁扣信号接端子号13;s-脱扣器锁扣信号或警告信号接线端子号15;端子号14为公用接点。结构尺寸2,b-脱扣器锁扣信号接线端子号21:s一脱扣器锁扣信号或报警信号接端子号23;端子号22为公用接点。结构尺寸3,s-脱扣器锁扣信号或警告信号接端子号22,23。
○ 断路器安全间距(包括飞弧距离)参见表8

注:1、所有带零件与接受地零件之间必须可靠绝缘。
○ DW17-630-1900固定式断路器的外形尺寸及安装尺寸见图13和表9


○DW17-2000~2900固定式断路器的外形尺寸及安装尺寸见图14

○DW17-3200~3900固定式断路器的外形尺寸及安装尺寸见图15

○DW17-4000~400S 固定式断路器的外形尺寸及安装尺寸见图16

○DW17-1900抽屉式断路器的外形尺寸及安装尺寸见图17

○DW17-2000~2500抽屉式断路器的外形尺寸及安装尺寸见图18

○DW17-2900抽屉式断路器的外形尺寸及安装尺寸见图19

○DW17-3200抽屉式断路器的外形尺寸及安装尺寸见图20

○DW17-3900抽屉式断路器的外形尺寸及安装尺寸见图21

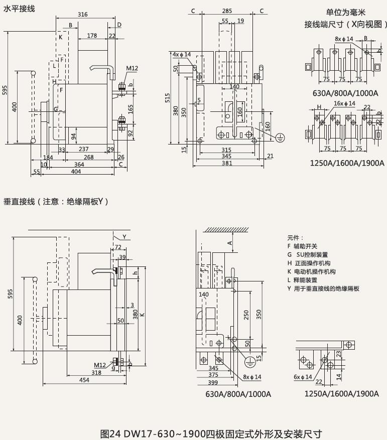
○DW17-1900四极固定式断路器的外形尺寸及安装尺寸见图22和见表10

○DW17-2000~2900四极固定式断路器的外形尺寸及安装尺寸见图23


○DW17-630~1600四极抽屉式断路器的外形尺寸及安装尺寸见图24

○DW17-1900四极抽屉式断路器的外形尺寸及安装尺寸见图25


关键词:上海人民电器开关厂,DW17-630,DW17-1600,DW17-2900,DW17-3200,DW17万能式断路器
DW17系列万能式断路器,适用于额定工作电压至660V,对线路及电气设备的过载、欠电压和短路进行保护,型号有:DW17-630,DW17-1600,DW17-2900,DW17-3200