DW16系列万能式断路器(以下简称断路器)为交流50Hz,额定电流100A至4000A,额定工作电压至690V,主要用于配电网络中,用来分配电能,保护线路和电源设备的过载、欠电压、短路。在正常条件下,可作为线路的不频繁转换之用。
本产品符合GB14048.2标准。

上海人民电器开关厂常规型号有:DW16-600,DW16-630,DW16-2000,DW16-4000
● 周围空气温度:
1.上限值不超过+40℃;
2.下限值不低于-5℃;
3.24h内的平均值不超过+35℃
● 海拔:安装地点的海拔不超过2000m;
● 安装类别
断路器主电路安装类别Ⅳ,辅助电路安装类别除欠电压脱扣线圈与断路器主电路相同外其余为Ⅲ。
● 大气条件:
大气相对湿度在周围空气温度为+40℃时不超过50%;在较低温度下可以有较高的相对湿度;最湿月的月平均最大相对湿度为90%。同时该月的平均最低温度为+25℃,并考虑到因温度变化发生在产品表面上的凝露。
● 污染等级:3级。
● 断路器的额定电流见表1

● 断路器的额定绝缘电压为690V,额定工作电压和额定短路分段能力见表2

● 附件的额定电压(见表3)。
● 辅助触头
辅助触头约定发热电流为6A,额定工作电流为30VA/Ue(交流)和60W/Ue(直流)。
辅助触头为电气上不可分开,通常为五常开五常闭或三常开三常闭,默认时提供三开三闭;如需要还可有其它组合方式。

● 型式和分类:
1.按用途分:配电用;
2按传动装置分:
3.按脱扣器种类分:
4.按保护种类分:
● 操作条件
a.过载长延时脱扣器与周围空气温度无关,其电流整定值为O.64In-10In。各极同时通电时的反时限动作特性(见表4、表5)。配电用返回电流为O.9Ir
b.过载瞬时脱扣器
仅具有瞬时动作的电磁式过电流脱器的断路器Iqm=630、2000、4000A),在过载情况下分断
时,电流整定值调节范围为In-3In,电流整定值的准确度为±10%。
● 配电用断路器反时限断开动作特性见表4

● 过电流脱扣器在短路情况下断开
短路瞬时保护脱扣器为瞬时动作,其点球整定值调节范围(见表5),电流整定值的准确度为±20。

● 操作性能
断路器的操作性能用操作循环次数表示应满足(表6)的要求

● DW16-630过载保护接线图
注:
● DW16-630电动机控制接线图

注:
1.接线端子(XT)以下为用户接线,若同时具备分励和欠电压脱扣器其作为执行元件的脱扣器用户自行接线。
2.TA为电流互感器、K为热继电器、SB为按钮(用户自备)。
● DW16-630电动机控制接线图

● DW16-2000、4000过载保护接线图

● DW16-2000、4000电动机控制接线图

US3-电源; SB2-按钮(用户自备);
FU-熔断器; K2、K3中间继电器JZ;
R1、R2-电阻; DF-辅助触头
XK-行程开关; SQ-电动机转子绕组
Zd-电动机定子绕组
虚线部分为用户接线,实线部分为制造厂接线。
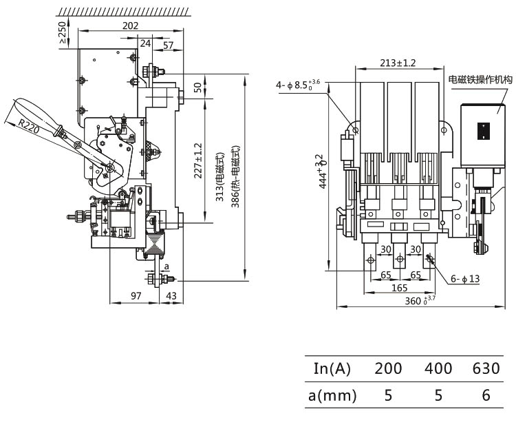
● DW15-630直接手动操作和电动机操作外形及安装尺寸

● DW16-630杠杆操作外形及安装尺寸

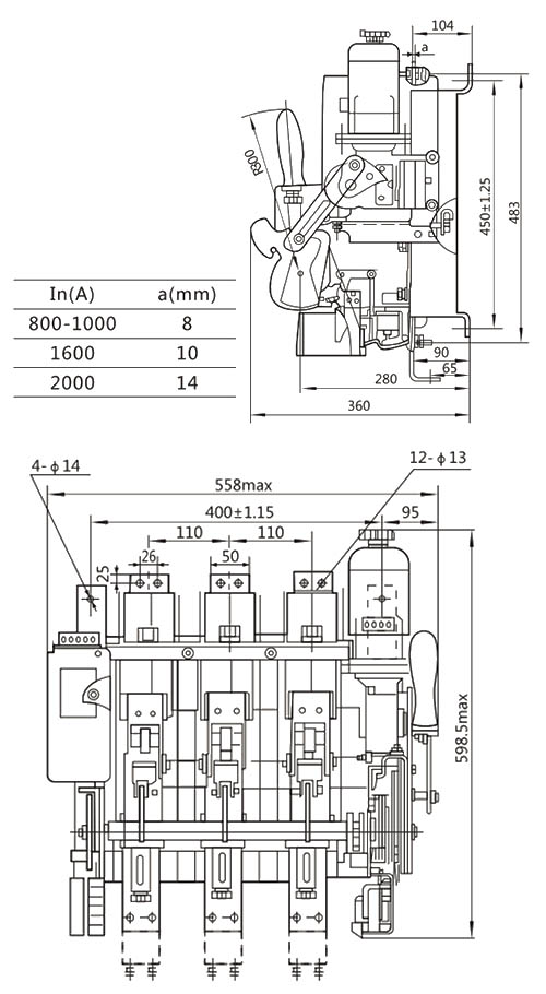
● DW15-2000直接手动操作和电动机操作外形及安装尺寸

● DW16-2000杠杆安装尺寸

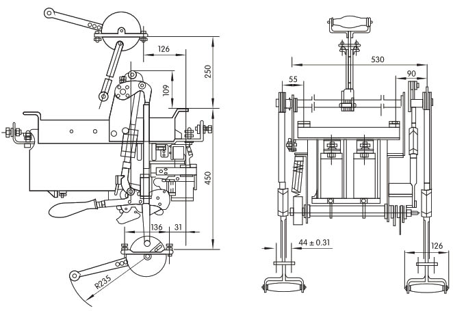
● DW16-4000电动操作外形及安装尺寸


关键词:上海人民电器开关厂,DW16-600,DW16-630,DW16-2000,DW16-4000,DW16万能式断路器