CXM1E系列电子式塑壳断路器(以下简称断路器),其额定绝缘电压为800V,适用于交流50Hz,额定工作电压400v,额定工作电流至800A的电路中作不频繁转化及电动机不频繁起动之用。断路器具有过载长延时反时限、短路短延时反时限、短路短延时定时限、短路时保护功能,能保护线路和电源设备不受损坏。该断路器具有体积小、分断高、飞弧、抗振动等特点。
断路器可垂直安装(即竖装),亦可水平安装(即可横装)。
断路器不可倒进线,即只能1、3、5接电源线,2、4、6接负载线。
断路器适用于隔离,符号表示为
断路器符合执行下列标准。
IEC60947一1及GB/T14048.1总则
1EC60947一2及GB/T14048.2低压断路器

●安装地点的海拔不超过2000m,
●周围介质温度不高于+40℃和低于-5℃,目24小时的平均值不超过35℃〔特殊订货除外)。
●安装地点的相对空气湿度在高温度为+40℃时不超过50%;在较低温度下可以有较高的相对湿度,例如20℃时达90%,对由于温度变化偶尔产生的凝露应采取特殊的措施。
●污染等级为3级。
●断路器主电路的安装类别为III,不接至主电路的辅助电路和控制电路安装类别为II,
●断路器应安装在无爆炸危险和无导电尘埃、无足以腐蚀金属和破坏绝缘的地方。
●在没有雨雪侵袭的地方。
●断路器应按产品的使用说明书安装。
CXM1E系列电子式塑壳断路器型号及意义。

注:
1)配电用断路器无代号;保护电动机用断路器以2表示。
2)手柄直接操作无代号;电动操作用P表示;转动操作用z表示。
上海人民电器开关厂常规型号有:CXM1E-100,CXM1E-250,CXM1E-400,CXM1E-630,CXM1E-800
●选择配合:CXM1E电子式塑壳断路器具有三段保护功能,使用类别为B的断路器与连接在同一电路中的其它短路保护装置在路条件下具有选择性配合。
●具有三段保护动作电流、动作时间选择:用户可根据负载电流要求对脱扣器进行设置调整,
●自供电:电子式脱扣器由断路器自身提供能量,电流信号及脱扣器工作电源来自安装于断路器内的电流互感器。
●具有”预报警”指示:当流过断路器的实际运行电流达到或超过预报警动作电流1℃时,断路器面盖上的”预报警”发光二极管指示为黄色;
●具有过载指示;当负载电流超出过载长延时动作电流时,断路器面盖上的发光二极管指示为红色,
●大电流时脱扣功能:当断路器闭合时或在运行时,遇短路大电流(2创n),断路器由电磁脱扣机构直接脱扣。
●安装具有互换性:外形尺寸与C×MI系列塑壳断路器规格相同。

注:
1、脱扣器方式及内部附件代号首位数字3表示具有三段保护的电子式脱扣器;
后两位数字表示内部附件代号,无附件则用00表示
2,CXM1E-400中328,CXM1E-630、800中348规格,CXM1E-400、CXM1E-630、CXM1E-800中368规格辅助触头为三对触头(即三常开,三常闭),


●过载长延时动作电流|r1调整,根据断路器不同的额定电流,可从4档到10档进行调整;(可根据用户需求定制)
●长延时动作时间tl调整,可进行4档调整;
●短路短延时动作时间r2调整,可进行10档调整,
●短延时动作时间t2调整,可进行4档调整,
●短路时动作电流lr3调整,可进行8档、9档或10档调整;
●预报警动作电流lr0调整,可进行7档调整。
●长延时过电流保护反时限动作特性

●短延时过电流保护特性

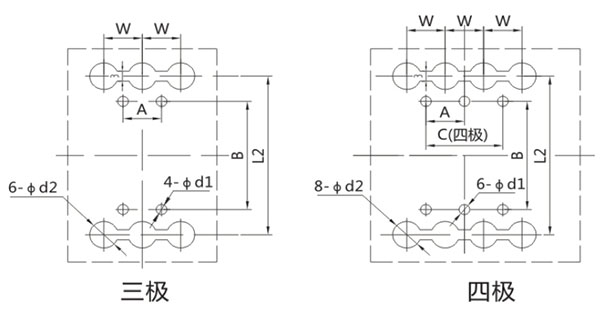
●CXMIE板前接线外形及安装尺寸图5和表6


●CXMIE板后接线外形及安装尺寸图6和表7。


图6CXMIE板后接线外形及安装尺寸

●CXMIE插入式接线外形及安装尺寸图7和表8。


关键字:上海人民电器开关厂,CXM1E-100,CXM1E-250,CXM1E-400,CXM1E-630,CXM1E-800,CXM1E电子式塑壳断路器,