产品展示

DW15-1600万能式断路器 
 ,DW15-2000/4000

一,DW15-1600-6300万能式断路器用途

DW15-1600、2500、4000,6300万能式断路器(以下简称断路器)的额定电流从630A至6300A,额定工作电压至交流1140V/50Hz。本断路器主要在配电网络中用来作为分配电能及保护线路和电源设备的过载、欠电压和短路等故障,正常条件下也可作为线路的不频繁转换之用。上海人民电器厂常规型号有:DW15-630,DW15-1600,DW15-2500,DW15-4000

本产品符合GBI4048.2《低压开关设备和控制设备第2部分:断路器》等标准。

二,DW15-1600-6300断路器产品展示

 

 

三,DW15-1600-6300断路器型号及含义

DW15-1600, 2500, 4000, 6300等型号

规型号有:DW15-630,DW15-1600,DW15-2500,DW15-4000

 

四,正常工作条件

a)围空气温度为-5℃+40℃,且24h内的平均温度不超过+35℃。
b)安装地点的海拔不超过2000m。
C)大气相对湿度在周围空气温度为+40℃时不超过50%;在较低温度下可以有较高的相对湿度:最湿月的月平均最大相对湿度为90%,同时该月的平均最低温度为+25℃,并考虑到因温度变化发生在产品表面上的凝露。
d)污染等级为3级。
e)安装类别:断路器主电路及欠电压脱扣器线圈的安装类别为Ⅳ外,其余辅助电路安装类别为Ⅲ。

五,技术数据及性能

断路器的额定电流

断路器的额定短路分段能力及飞弧距离

注:飞弧距离括号内为1140产品

 

过电流脱扣器保护特性

过电流脱扣器动作电流整定值调节范围见表3

注:只具有瞬时过电流脱扣器的断路器,并仅作过载保护。In=5000、6300A 只有电磁式,其余均有电磁式和热电磁式两种。

 

长延时过电流脱扣器各极同时通电时的动作特性见表4

 

六,电动机操作控制电路

电动机操作控制电路见下图。其工作原理:按下起动按钮SB1,继电器K1吸合并自锁,电动机运转,断路器贮能到行程开关XK打开,K1断开,电动机断电,贮能结束(若无预储能时,则断路器直接闭合)。再按下按钮SB2释能电磁铁动作,则断路器闭合。自断路器闭合后辅助触头DF于断开位置,故再按SB1也不能使断路器储能。

七,断路器安装尺寸及外形尺寸

DW15-1600断路器外形尺寸及安装尺寸

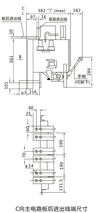
DW15-2500断路器外形尺寸及安装尺寸

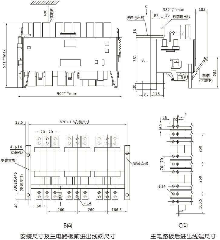
DW15-4000断路器外形尺寸及安装尺寸

 

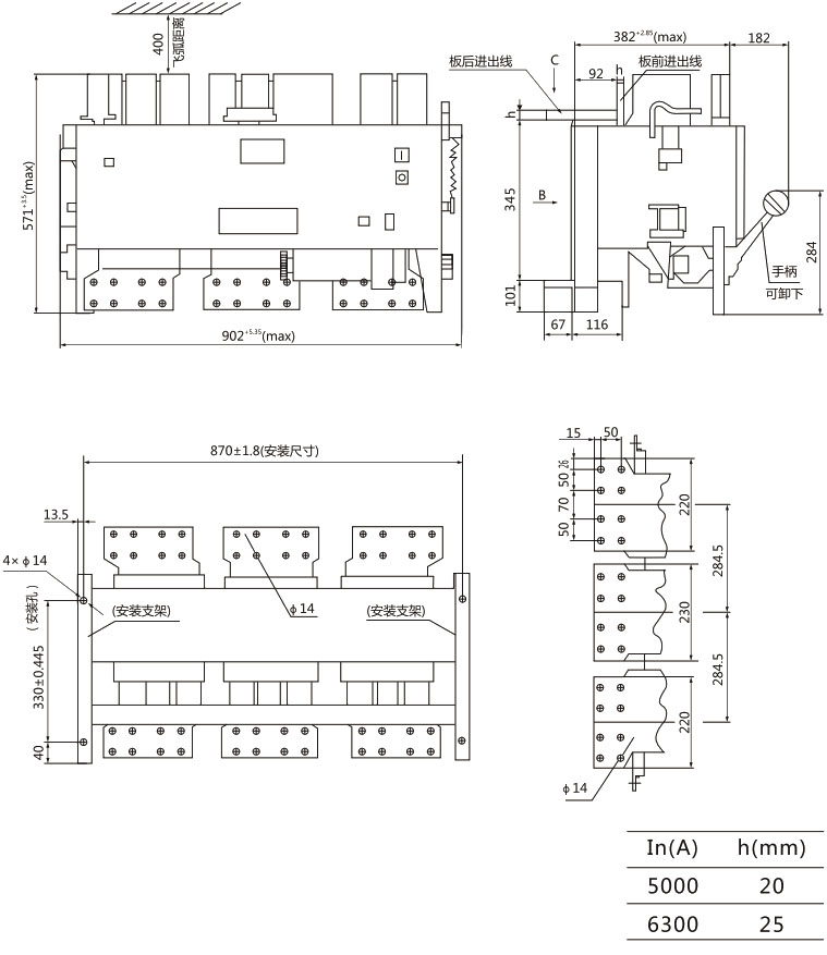
DW15-6300断路器外形尺寸及安装尺寸

 

七,订货须知

请联系销售人员

商务
询价

企业商务询价
微信二维码

项目
咨询

企业项目咨询
微信二维码

电话
咨询

0577-62333333
客服热线