产品展示

HH15(H)隔离开关熔断器组

一,适用范围

HH15/H系列(原HGL/R系列)隔离开关熔断器组,适应于交流50Hz、额定电压400V、约定发热电流为400-800A(800型)、800-1600A(1600型)的工企业配电系统中,用作手动不频繁操作的电源开关、隔离开关和应急开关,并作为电路短路保护之用。

开关造型美观、新颖简洁,结构简单、操作方便,符合IEC60947-3、GB/T14048.3标准,是同类产品的选择!

二,型号含义 

三,主要参数 

四,结构特征

1、开关主要由隔离开关与熔断器组成,开关部份采用弹簧蓄能、瞬时释放的加速关合机构及同时接通与断开并联双断点的触头结构,熔断器与隔离开关相连,直接装底座中的铜板上,极大的提高了开关的电气性能与机械性能。
2、开关底座采用玻璃纤维增强不饱和聚脂模塑料制造,具有良好的机械强度、阻燃性能、介电性能及抗碳化性和抗冲击性;
3、透明型开关的大盖、小盖、接线罩,采用高透明、高强度、耐高温的新型材料压制而成,可直接观察各触头、各部位的运行状态,确保了开关使用操作时的安全可靠。
4、开关可柜内、柜外操作,提供操作方便;开关可带常开常闭辅助触点,满足用户的多种需求。
5、在分断位置"0"时,可用两至三把锁锁住手柄,以防止开关误操作。

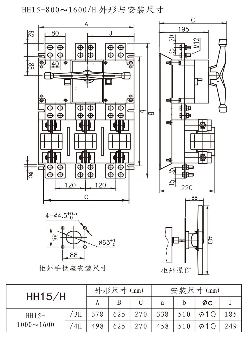
五,外形及安装尺寸

商务
询价

企业商务询价
微信二维码

项目
咨询

企业项目咨询
微信二维码

电话
咨询

0577-62333333
客服热线