产品展示

HD11FA(防误型)刀开关

一,适用范围

HD系列、HS系列刀开关,适用于交流50Hz、额定电AC400V,约定发热电流至4000A的成套配电装置中。带有灭弧室的刀开关用作手动不频繁接通与分断负载电路,不带灭弧室的刀开关只作电气隔离之用。刀开关结构筒单、操作方便,符合GB/T14048.3、IEC60947-3标准。

HD11、HS11系列中史手柄式刀开关主要用于动力站,不切断带有电流的电路,作为电气隔离之用。

二,型号含义

 

三,主要参数

 

四,结构特征

● 刀开关200.400A采用单刀片、600.1000.1500A采用双刀片、2000.3000.4000A采用两组双刀片并联组成,所有刀片二侧装有片装弹簧以取得触头压力,且刀片、联接板、触头皆镀锡,用来加强表面保护和改善导线连接时的接触电阻。
● 带灭弧室的刀开关,可确保分断负载电路时的安全可靠,且灭弧室由酚醛层压纸板和金属灭弧栅铆合而成,大大增强了刀开关的灭弧能力。
● 中央正面杠杆传动式的刀开关,为了便于开关板的设计和安装,从200-4000A的纵向安装尺寸皆相同。
● 刀开关采用统一型式的传动机构,具有可靠的定位装置及明显的断开、闭合指示标志。
● 刀开关的安装底板有玻板、胶板两种,玻板采用酚醛玻璃纤维模压塑料模压成形、胶板采用酚醛层压纸板,都具有良好的机械强度与介电性能。

 

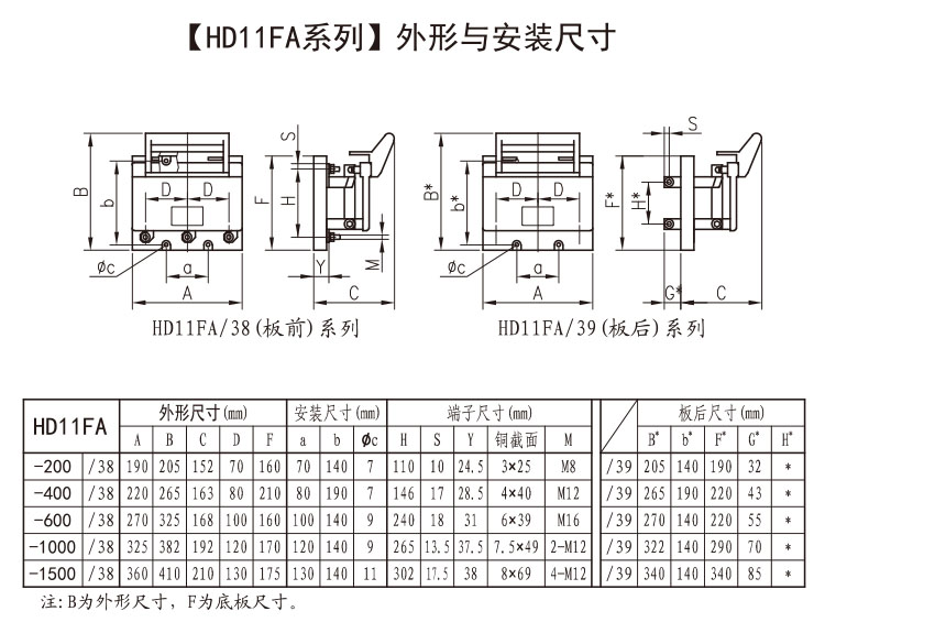
五,外形及安装尺寸

商务
询价

企业商务询价
微信二维码

项目
咨询

企业项目咨询
微信二维码

电话
咨询

0577-62333333
客服热线